| Nut Type | Thread | Axle Type | Part No. |
|---|---|---|---|
| Castle | 1-1/4x16 | Cessna | 06-11800 |
| Castle type nuts manufactured to MIL Specification MS21025 using 4140 steel. Mild steel nuts are not acceptable for use on certificated aircraft. 1-1/4" dia. nuts for 500 x 5 axles, 1-1/2" dia. nuts for 600 x 6 axles. |


Nut Axle Castle 1-1/4 X 16
Nut Axle Castle 1-1/4 X 16
I bought these because I needed 1-1/2-16 threaded nuts for a non-aircraft project. Its a hard to find thread size but Aircraft Spruce provided the solution..
Perfect as advertised.
High quality and a perfect fit.
Great Product, Great Fit. Steve
Fit my Cessna 150 Axle fine - its a Cessna PN replacement. Allowed me to take off the ugly nut for wheel pants and put on a hub cap.
got here ok
These nuts were absolutely perfect!
Great item, fast service, great transaction!
Please note, Aircraft Spruce Canada's personnel are not certified aircraft mechanics and can only provide general support and ideas, which should not be relied upon or implemented in lieu of consulting an A&P or other qualified technician. Aircraft Spruce Canada assumes no responsibility or liability for any issue or problem which may arise from any repair, modification or other work done from this knowledge base. Any product eligibility information provided here is based on general application guides and we recommend always referring to your specific aircraft parts manual, the parts manufacturer or consulting with a qualified mechanic.
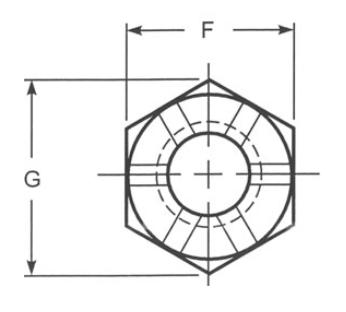
The dimensions of 06-11815 are 9/16 inch height x 15/16 inch outer flat side. Looking at the drawings in the "Drawings" tab, these would H and F. For reference, G is 1-1/16 inch.
It is a Mil Spec part, so as long as the aircraft manufacturer calls for this as a replacement part, it would apply to a certified aircraft. Similar to AN bolts and nuts.
MS24665-360 or -362 will work just fine